Se faire voler sa DS , malheureusement ça arrive, et les tarifs actuels des pièces détachées n’arrangent pas les choses. C’est le prix du succès, le revers de la médaille. Mais pourquoi voler une DS ?
Pour en revendre les pièces après un démontage total, ou le vol d’un ou plusieurs éléments. L’un d’entre nous s’est retrouvé ainsi un matin, avec sa DS allégée de son intérieur cuir.
D’autres se font escamoter les pièces couteuses et souvent rares, telles que les clignotants avants en inox, les enjoliveurs Pallas, le bloc compteur avec thermomètre, les ailes avants s’envolent aussi (normal pour des ailes), parfois une porte ou les roues avec de beaux XAS tout neufs. Mais le plus souvent c’est la DS complète qui disparait, et le tiroir caisse du voleur fait « Gling Gling Gling Jackpot »
Pour « l’emprunter » sans autorisation, pour un coup de coeur, une ballade ou pour un rodéo et là généralement ça se termine très mal pour elle (en accordéon, ébréchée de partout, emplafonnée, vandalisée ou même brulée c’est selon l’humeur)
En raison d’une commande passée auprès de bandes organisées, pour exportation, revente, ou une subtilisation par le voleur en personne pour son usage personnel (pour la France, après maquillage! Autant qu’elle soit belle)
Il faut savoir que démarrer et partir en ballade avec une DS verrouillée et sans clefs n’a rien de bien compliqué. En 5 minutes chrono (pour les pas doués) le problème est réglé et il ne faut pas croire que le blocage de direction va y faire quelque chose. Il se met hors service en quelques secondes. Je ne vais bien sur pas donner la recette pour mener à bien ce genre d’expédition, mais au contraire ce qu’il faut faire et sur quoi agir pour empêcher Titine de se faire la malle
La DS ie a tout de même quelques atouts pour tenir tête aux branquignols du vol:
-Son injection qui fait encore peur à beaucoup, et à ce titre le risque de vol est moins élevé qu’une DS à carburateur.
-Sa position basse qui impose une remorque basculante, elle ne montera jamais en position basse sur une remorque classique. Elle ne pourra pas davantage être tractée dans cette position.
-Son verrouillage de portes qui rend le crochetage bien plus difficile que les vulgaires boutons intérieurs.
-Le bouton d’embrayage pour les BVH
-Sa pompe à essence inaccessible lorsqu’elle est en position basse
-Le foutoir qu’il y a sous le capot
– Pas de crochet de remorquage
-Les dimensions et le poids de la bête. 4,87 m de long ça ne se case pas sur toutes les remorques
-Sa relative rareté qui fera, qu’à moins d’un transport sous camion bâché, elle ne traversera pas la France sans se faire remarquer, même de nuit
-Et enfin pour celui qui n’a jamais conduit de Ds, le risque de la mettre rapidement dans le décor, ou de se retrouver avec quelques chicots en moins après le premier coup de frein.
Mais il n’y a pas que des nuls, il y a aussi des pro de l’escamotage, des artistes de la subtilisation, des Mozart de la clef des champs… Mais, à moins d’agir dans un coin tranquille, le malfaisant ne passera pas plus de 10mn à tenter un démarrage ou un chargement sur plateau. Le mettre en échec pour un temps supérieur à ces 10 mn est essentiel.
-Le premier objectif est d’empêcher tout démarrage moteur
-Le second de considérablement restreindre les possibilités de manœuvrer la voiture, et le 3eme, celui par lequel je vais commencer: Laisser un moyen de retrouver la trace de la belle évanouie (dans la nature) Un truc bête, relever et noter les numéros de série de la boite à vitesse et du moteur et ajouter sur quelques pièces essentielles ou très demandées un marquage discret mais indélébile avec un pointeau, un jeu de chiffres et lettres à frapper, ou une graveuse genre Dremel, et prendre des photos de ces marquages..Le gravage des vitres (numéro de série ou signe distinctif) n’est pas à négliger. Bien sur, ça n’empêchera pas le vol, mais ça va faciliter les choses aux forces de l’ordre, aux éventuels acheteurs, ou aux garagistes (honnêtes) parce que tôt ou tard, les pièces détachées ou la voiture complète avec des numéros de série refrappés et une nouvelle plaque constructeur finiront par réapparaitre. Surveillez les sites d’annonces très connus. Les tracker par GPS ne sont pas à négliger, même si l’abonnement peut revenir cher. Sachez tout de même que certains utilisent des camions rendant les traker totalement inefficaces.
Empêcher le démarrage. On peut agir sur 3 points: L’allumage, l’alimentation en carburant, l’injection.
Rétablir un allumage coupé est très simple et à moins de retirer le distributeur ou la tête d’allumeur il est peu probable qu’une mise hors service de celui-ci empêche le démarrage pour un « pro » du vol . On peut le retarder en agissant discrètement par une dérivation du câblage des rupteurs, du + contact bobine ou d’une masse mais ça ne résistera pas longtemps
Couper l’alimentation de carburant est déjà plus judicieux, encore faut il rendre la pompe à essence inaccessible, faute de quoi un branchement en direct suffira pour contourner le problème
Mettre le démarreur hors service: C’est du temps et de la peine perdu pour rien (ou presque). Ca va résister à l’amateur du tour gratuit ou du voyage à l’œil en DS, mais pas à un voleur expérimenté et déterminé. Mettre un action un démarreur sans clef de contact, c’est à peu près aussi compliqué que localiser une roue de secours.
Mettre l’injection hors service. C’est ici qu’il est le plus judicieux d’intervenir. C’est réellement une des rares solutions capables de tenir tête suffisamment longtemps à un emprunteur et lui faire abandonner la partie.
On peut agir sur plusieurs éléments en tirant cette fois avantage du fatras électrique sous le capot.
Quels sont les éléments essentiels de l’injection ? utilisateurs du site vous devez à présent bien les connaitre :Le calculateur bien sur, les injecteurs ça va de soi, la sonde barométrique, la pompe à essence, les relais, les contacts déclencheurs et le câblage.
Je n’aime pas trop les montages irréversibles, et comme il est assez simple d’implanter un montage dans n’importe quelle partie du câblage, sans la moindre coupure ou modification de celui-ci, pourquoi s’en priver !
Comme je l’ai écrit plus haut, la clef, c’est que la DS tienne tête à une tentative de vol pendant 10 mn .
Pas de prise OBD sur une DS, donc pas de possibilité de brancher un ordi et de bidouiller les mémoires du calculateur, il n’en a pas . Ce qui met directement la Miss à l’abri des spécialistes de l’informatique et des amateurs et revendeur de boitiers permettant de contourner les sécurités antidémarrage .
Et oui, pour identifier une panne de DS ie il n’y a que la réflexion et un minimum de connaissances. Absolument hors de portée d’un spécialiste de « la valise » du concessionnaire du coin, fusse-t-il de chez Citroën
Une seule solution, être électricien ou électronicien auto et encore, un antidémarrage bien préparé face à un vrai électricien peut tenir le coup plusieurs heures avant d’être déjoué. Il est inutile de se procurer et installer un antidémarrage trouvé dans le commerce. D’une part il obligera des modifications du câblage d’origine et d’autre part ces systèmes sont archi connus des »pro »du vol, qui les mettent hors service en quelques minutes . Il est beaucoup plus judicieux et efficace de créer son propre anti-démarrage et bien sur ne ne coller et mettre aucun avertissement, même pas une diode clignotante. Il faut laisser la surprise, c’est mieux !
La mise hors service d’une partie du circuit peut se faire via un inter, un commutateur d’origine ajouté au tableau de bord qui n’attirera pas l’attention, un inter planqué, un ou plusieurs relais, des câblages leurres, un démarrage sous condition : Par exemple j’actionne les freins puis la marche arrière et je ne peux démarrer que si ces deux conditions sont réunies . Les possibilités sont très très nombreuses . On peut également programmer et câbler selon son humeur une carte Arduino ( très peu couteuse et réellement géniale)
Mais, le dernier neurone encore actif chez moi me dit de ne pas mettre en ligne la moindre info, ou alors autant donner les clefs de la Ds à votre voleur
« Ben oui Salva t’es bien sympa mais alors ton topic il ne sert à rien si ce n’est mettre l’eau à la bouche » (ou la salive au coin des babines du loup face à l’agneau)
Alors on fait quoi ? On prends son clavier, on envoie un MP avec ce qu’on aimerait avoir sur sa DS et Salva retourne un schéma explicatif détaillé . Seul inconvénient ne pas être pressé …
Couper l’alimentation de carburant sans toucher à la pompe c’est efficace, à la condition d’utiliser une vanne à commande électrique cachée sous la tôle pare-feu du réservoir (tôle vissée sous la banquette) A moins qu’Arsène Lupin arrive avec une pompe à essence, de la durite un Jérikan et de l’outillage, démarrer va être très très compliqué
Empêcher ou compliquer les manœuvres de la voiture
Pour manoeuvrer une DS il faut l’ouvrir et là aussi, c’est d’une simplicité enfantine pour qui connait l’astuce (que je n’expliquerai pas non plus)
Il vaut parfois mieux garer la voiture à ras un mur et obliger le passager (ou le conducteur à sortir par l’autre porte)
Poser les roues avant contre un trottoir
Mettre le levier de hauteur en position extrême basse
Une petite modification discrète du verrouillage du frein de parking empêchera de le desserrer, et avec les roues avant bloquées ça ne simplifie pas le vol
Engager (pour les BVH) le levier de dégommage moteur (débrayage manuel).Même en réussissant à démarrer, aucune chance de passer une vitesse, à moins de très bien connaitre les DS
Empêcher la dépose des ailes arrières (c’est assez simple)
La nuit, en extérieur, la garer dans un endroit le plus sombre possible. Voler une voiture implique de la lumière. Une lampe de poche armée d’un voleur (ou l’inverse) se remarque très facilement dans le noir. Se garer sous la lumiere d’un lampadaire n’est pas une bonne idée (pas de jeu de mot) ça donne souvent suffisamment de lumière, et pour celui qui y va au culot il y a peu de risque que quelqu’un lui pose des questions .Enfin, à chacun ses astuces
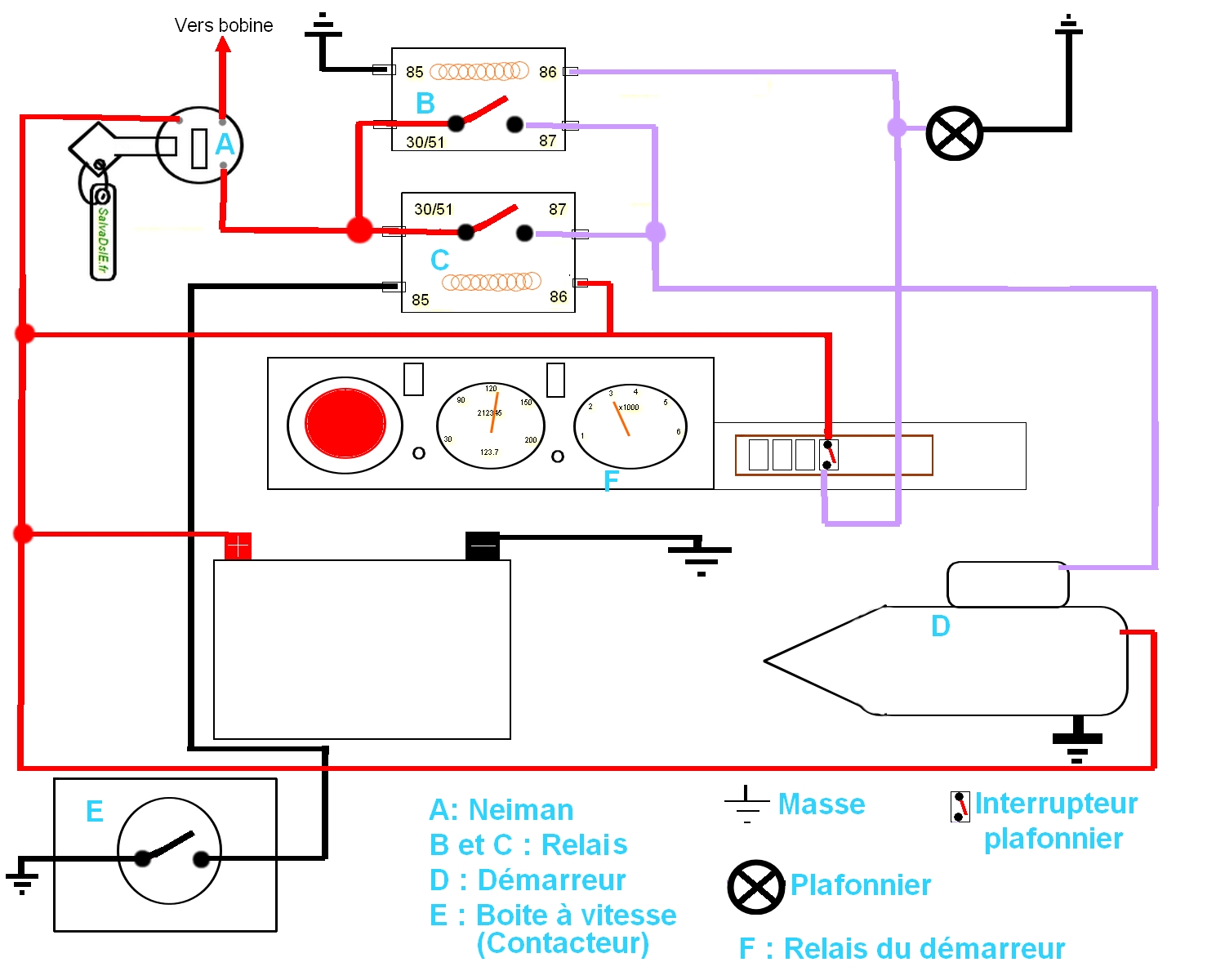
Exemple d’anti-démarrage avec un schéma rapide. A noter que ce n’est qu’un exemple qui met le démarreur hors service, lequel peut être désactivé ou réactivé par deux actions différentes. Mettre un antidémarrage sur le démarreur résistera sans doute aux voleurs pressés ou ne connaissant pas l’électricité. Un amateur averti le contournera facilement. Ce n’est donc pas un montage d’une grande sécurité , inutile de le réaliser .
Yann (Dimentica) est l’auteur de la mise en forme de ce schéma. En cas de réclamation sur la réalisation, les couleurs, les dessins les symboles ou autres, s’adresser directement à lui.

Les câbles rouges représentent les +, les câbles noirs les -, les câbles violets deviennent positifs lorsque les relais sont actionnés par la marche arrière ou/et le plafonnier
Dans ce montage, la mise en action du démarreur est possible avec deux conditions différentes et indépendantes.
La premier implique de mettre la boite à vitesse sur la marche arrière (non réalisable sur une BVH avec ce circuit) et c’est uniquement dans ce cas que le démarreur peut entrer en action.
La seconde consiste à allumer le plafonnier avec l’inter du tableau de bord et c’est seulement sous cette condition que le démarreur peut remplir son rôle
Donc:
Marche arrière et contact mis la clef actionne le démarreur
Marche arrière non enclenchée démarrage (au démarreur) impossible
Interrupteur de plafonnier activé et contact mis la clef actionne le démarreur
Interrupteur de plafonnier non activé démarrage (au démarreur) impossible
Interrupteur de plafonnier et marche arrière enclenchée le moteur peut démarrer
Ce montage n’interdit pas un démarrage à la manivelle ou en poussant . Il faudra dans ce cas ajouter une coupure de l’allumage, sur la bobine, au départ du Neiman pour la rendre invisible. Amélioration réalisable en modifiant légèrement le montage. On peut le compliquer en utilisant une coupure d’allumage indépendante de la coupure démarreur.
Bref tout est réalisable , il suffit de réfléchir à ce qu’on aimerait avoir comme condition(s) de démarrage.
Le montage est à la portée d’un bricoleur rigoureux, même sans ne rien y comprendre.
Ce schéma n’est pas explicite sur les cosses, les câbles, les relais et les endroits où les insérer. De plus je ne l’ai pas simplifié, mais il est bien plus facile à réaliser que ce que le schéma laisse penser.
Comment ça fonctionne ?

Lorsqu’on met la marche arrière (E) le contacteur se ferme (est activé) et envoie une masse à la borne 85 du relais C .
Le relais C est mis sous tension et son interrupteur se ferme (s’active) mettant en liaison le contacteur du neiman et le relais du démarreur (sur le démarreur) .
En tournant la clef en position démarrage le démarreur entre en action et le moteur démarre
Lorsque la marche arrière est enlevée le relais C se désactive et tourner la clef n’a plus aucun effet sur le démarreur
Lorsqu’on appuie sur l’interrupteur du plafonnier, celui-ci alimente les lampes du pavillon et met sous tension le relais B qui ferme son interrupteur (active) mettant à son tour en liaison le contacteur du neiman et le relais (solénoïde du démarreur) En tournant la clef le démarreur est activé
Lorsque le plafonnier est éteint (via son interrupteur), le relais B s’ouvre (se désactive) et la clef n’a plus aucun effet sur le démarreur
Plafonnier et marche arrière activés le démarreur rentre aussi en action apres avoir tourné la clef.
A suivre…/…
Salva
A very simple way of ensuring that the fuel cannot flow is to disconnect the cable taking power to the fuel pump while you are away from your car. Open the bonnet/hood. Look on the bulkhead just above the aluminium paint disc (AC…) on the right hand side of the car (On your left as you look into the engine compartment) . Here you find a single horizontal white cable with a connector. Separate the connector and the pump will not operate. Simple.
Regards,
Chris 13 Apr 20