Les documents techniques

(derniere MAJ 14/10/2019octobre 2019)

14/10/2019

La remise en ligne est  terminée.

D’autres sujets viendront petit à petit enrichir la documentation selon les sujets abordés sur le forum ou les demandes (Passez dans ce cas par un MP à Dimentica)

Bonne lecture

Salva

MECANIQUE

RÉGLAGE DU RALENTI ET CORRECTEUR DE RÉ-EMBRAYAGE   1 2 3 4 5
RÉGLAGE POLLUTION————————————————————————- 1
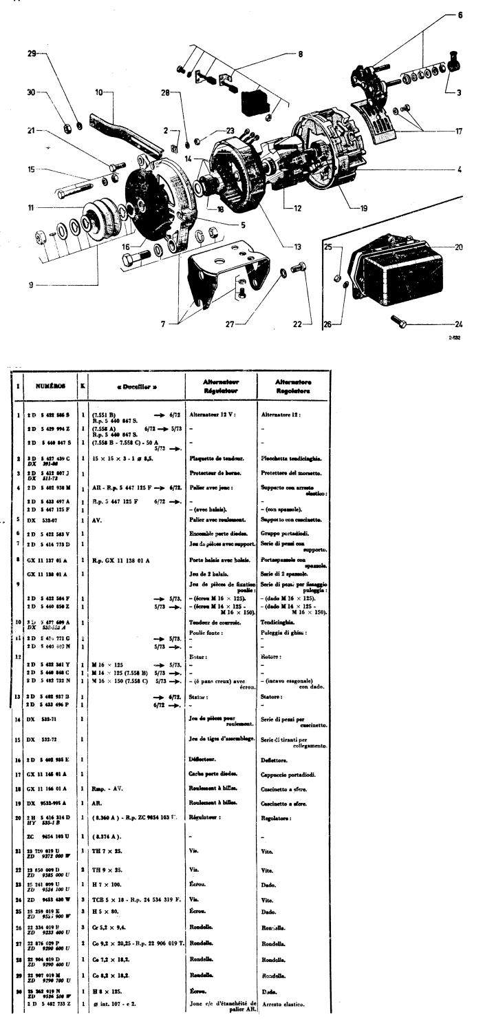
ALTERNATEURS DUCELLIER ET PARIS-RHONE (ALTERNATORE) (Français-Italiano) 1  2
PRE RÉGLAGE ET RÉGLAGE ALLUMEUR —–—————1  2  4 5 6
DÉPOSE REPOSE D’UN MANO CONTACT DE PRESSION D’HUILE–—– 1
RÉVISION DE L’ALLUMEUR —————- 3  4  5 6  7  8  9  10  11  12
DÉPOSE REPOSE D’UNE PÉDALE D’ACCÉLÉRATEUR ————————–1
DÉPOSE REPOSE D’UN CÂBLE D’ACCÉLÉRATEUR —————————-1
REMISE EN ETAT D UNE TRANSMISSION ————————————-1  2

HYDRAULIQUE

REGLAGE DU RALENTI ET CORRECTEUR DE RE-EMBRAYAGE (Français – Italiano) —1
PURGE DES FREINS————————————————————– 1  2
PURGE DU REGULATEUR CENTRIFUGE ———–Nouveau-—————1

ELECTRICITE

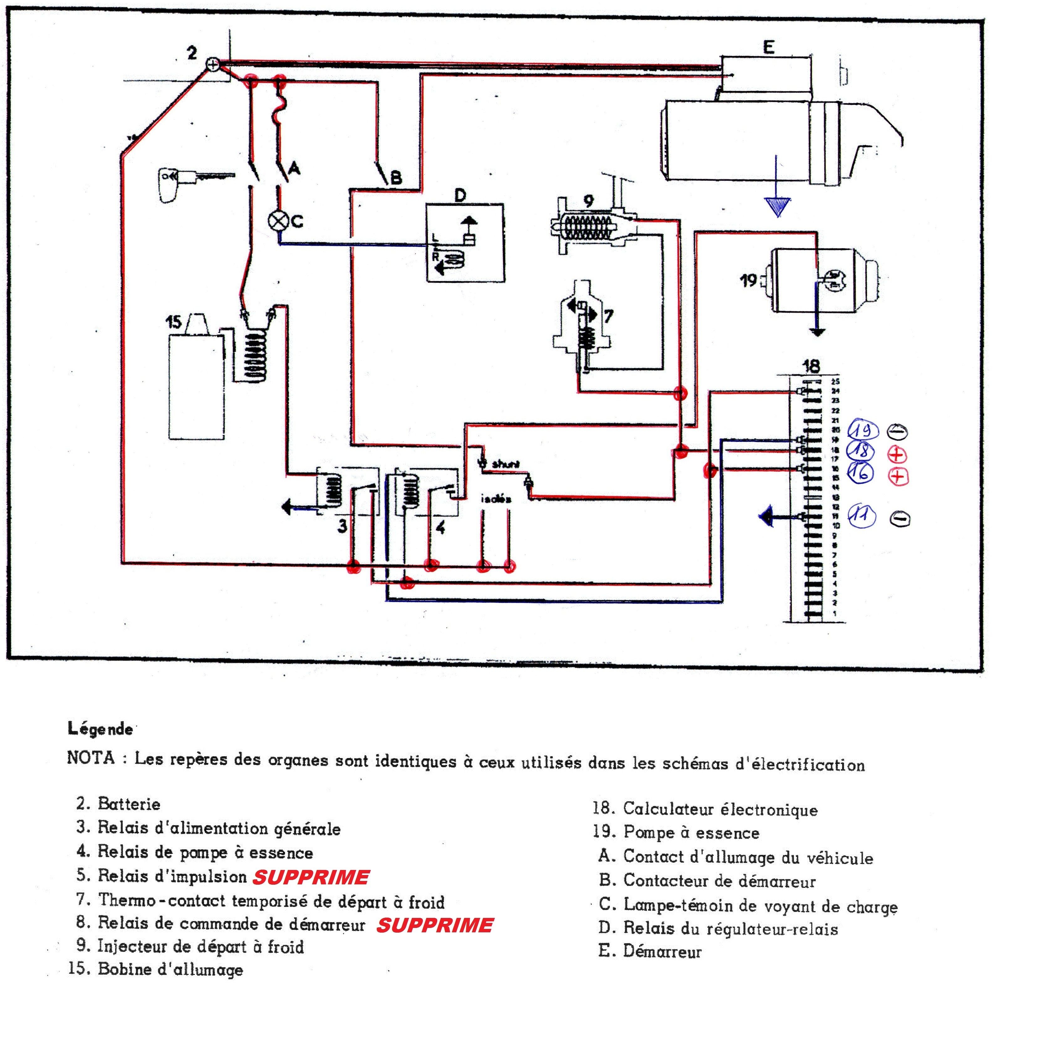
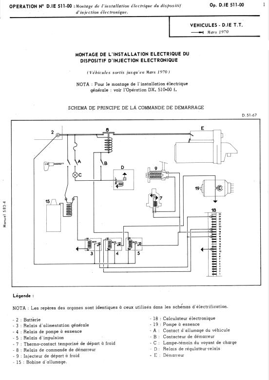
CIRCUIT DE DÉMARRAGE avec 3 relais/cadre batterie——–—————— 1
 la modification du câblage de démarrage de 1971 concerne uniquement les IE à BV5.
 Les BVH conservent le relais d’impulsions quelle que soit l’année de sortie…
CIRCUIT DE DÉMARRAGE avec 2 relais/cadre batterie —————————-1
(suppression du relais d’impulsion).
CIRCUIT DE DÉMARRAGE DS IE A BOITE AUTOMATIQUE BORG-WARNER– 1
SCHEMA DE PRINCIPE VENTILATEUR DE REFROIDISSEMENT DS 23 ——- 1
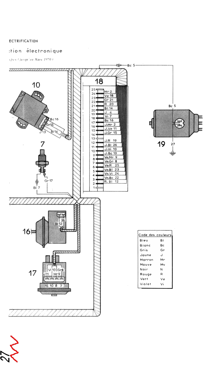
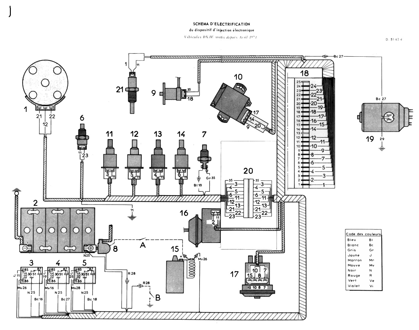
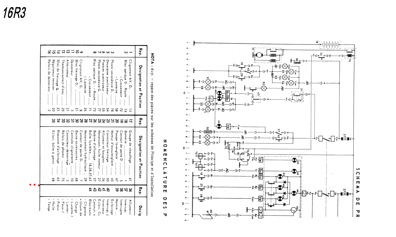
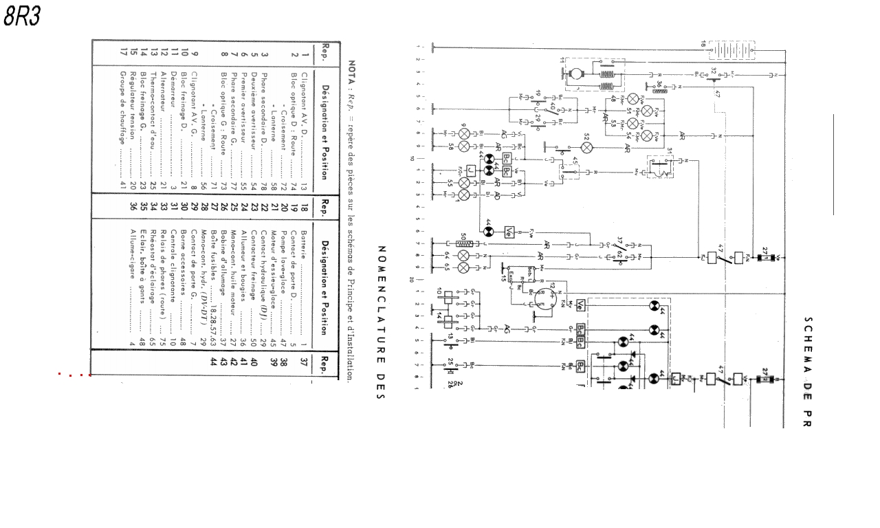
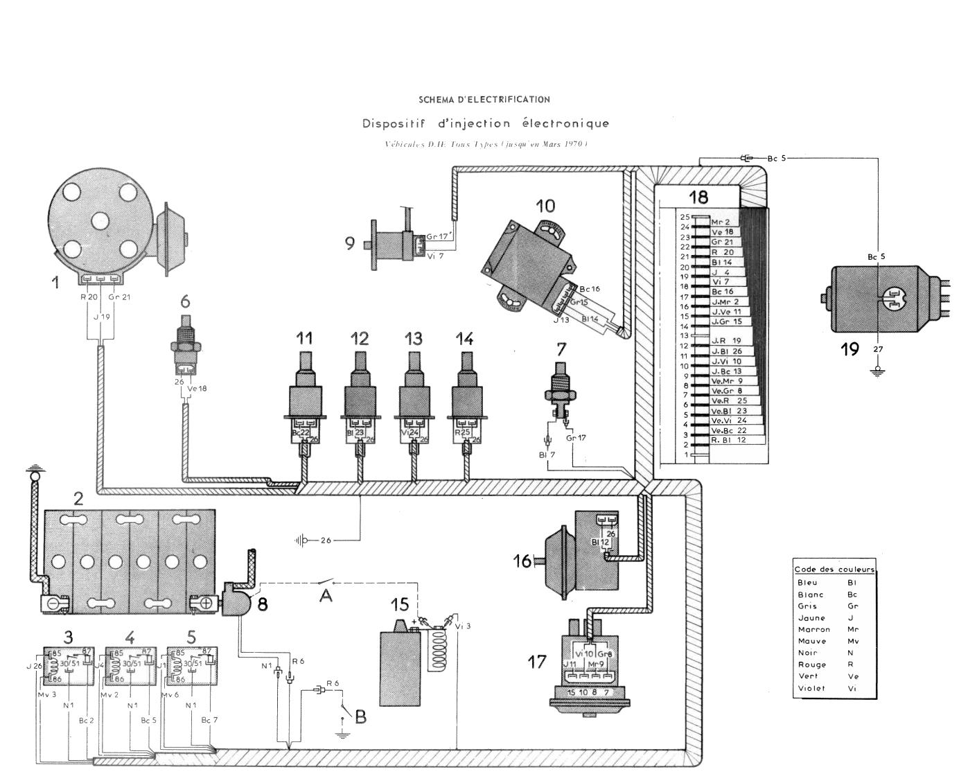
ELECTRIFICATION——Nouveau totalité électrification–——— 1  2  3  4  5  6  7  8  9  10  11  12 13  14  15  16  17  18  19  20  21  22  23  24  25  26  27  28  29  30  31  32  33  34  35  36  37  38  39  40  41  42  43  44  45  46  47  48  49  50  51  52  53  54  55
CHARGE ET REGULATION————————–————– 1  2  3  4  5  6

INJECTION

REGLAGES DE BASE 1 2 3 4 5 6 7 8 9 10 11 12
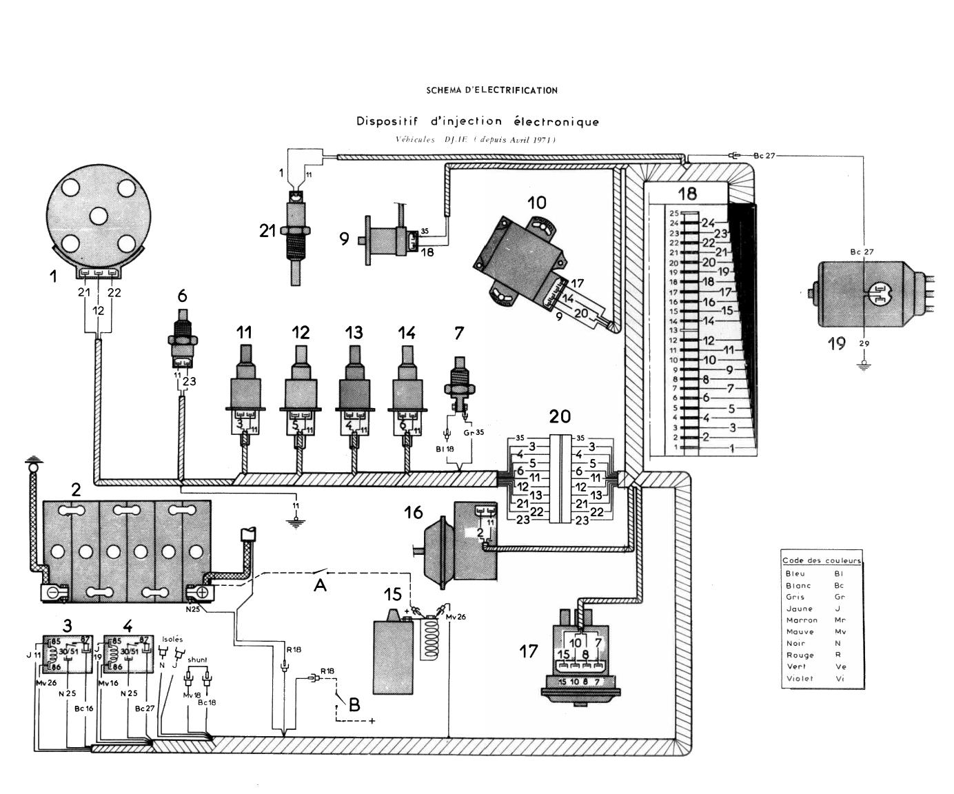
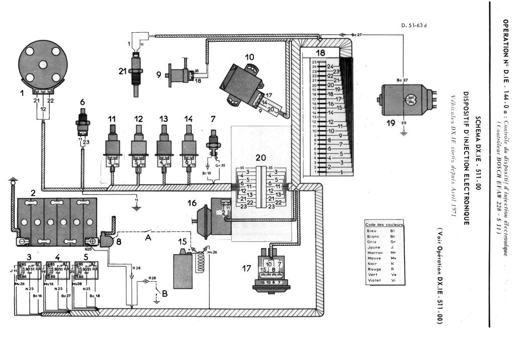
SCHEMA DU CIRCUIT ELECTRIQUE D’INJECTION——————————–1
CIRCUIT ELECTRIQUE GENERAL ———————————————————1
CIRCUIT DECEL ——————————————————————————1
( n’existe que sur les IE produites à partir de septembre 1972 et à boite mécanique)
COUPLE SONDE TEMPORISEE ET INJECTEUR DE DEPART ——————-1
UNE POMPE A ESSENCE CA S’OUVRE ——————————–————-1  2
CONTROLE DES SONDES de température air/eau—————————————  1
(résistivité selon la température)
Tableau de CONTROLE DE L INJECTEUR DE DEPART et de LA SONDE TEMPORISEE- 1

ACCESSOIRES ALIMENTATION ESSENCE———————————————–————– 1
DEPOSE REPOSE D’UNE COMMANDE D’AIR ADDITIONNEL ———- 1
DEPOSE REPOSE D’UNE COMMANDE DE RALENTI ACCELERE—-
IDENTIFICATION DURITE AIR ET EAU CRA CAA———–Nouvel ajout—————–  1 2
DEPOSE REPOSE D’UNE POMPE A ESSENCE————————————— 1
DEPOSE REPOSE D’UN CONTACTEUR SUR AXE DE PAPILLON—————- 1

DIVERS

A COUPS MOTEUR – note technique Citroen —————————-1 2 3 4 5 6